4.1.1. Плата контроллера¶
4.1.1.1. Геометрические размеры¶
Конструктивно контроллер представляет собой две жестко соединенные печатные платы размером 47x75 мм. Нижняя плата содержит логический контроллер и схемы управления, верхняя - силовую часть. Силовая часть может быть снабжена радиатором.
Контроллер. Вид сверху. Со стороны силового модуля и радиатора.
Контроллер. Вид спереди. Со стороны кабеля для подключения позиционера.
Контроллер. Вид сзади. Со стороны разъема для подключения к объединительной плате.
Контроллер. Вид снизу. Со стороны разъема mini-USB.
Важно
В случае самостоятельной установки радиатора на силовой драйвер, убедитесь, что нет контакта между теплопроводящей поверхностью силового драйвера и другими электропроводящими частями установки. Если такой контакт будет присутствовать, возможно повреждение силовой схемы! Данное предупреждение относится только к контроллерам, поставляемым без внешнего корпуса.
4.1.1.2. Разъемы подключения плат¶
4.1.1.2.1. Разъем подключения позиционера¶
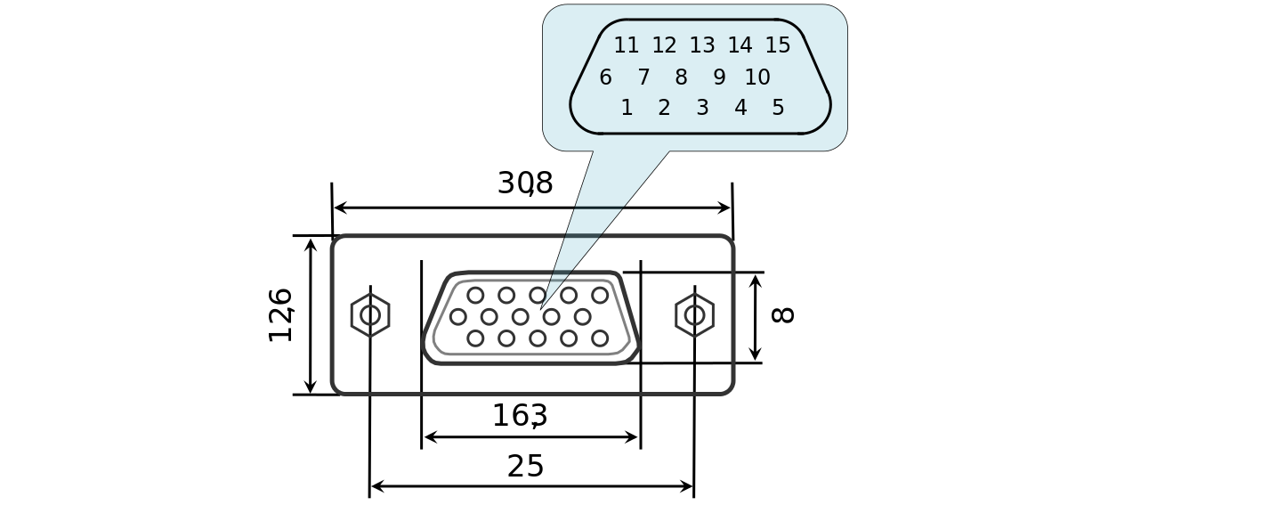
Для подключения позиционера используется разъем DSub 15 типа «мама».
Размеры и нумерация выводов в разъеме DSub, вид спереди
Назначение выводов:
- ШД фаза не В или - DC-мотора
- ШД фаза В или + DC-мотора
- ШД фаза не А или - DC-мотора
- ШД фаза А или + DC-мотора
- Выход 5В, до 100 мА, стабилизированное для питания энкодера
- Однопроводной интерфейс опознавания подвижки (работает только с позиционерами Standa)
- Земля логическая для концевиков, энкодера и прочего.
- Концевик №2
- Концевик №1
- Энкодер А
- Энкодер В
- Вход датчика оборотов
- Не подключены
- Не подключены
- Не подключены
Примечание
Для подключения DC мотора с рабочим током выше 3А нужно соединить выходы 1 и 3, а также выходы 2 и 4.
Предупреждение
Не рекомендуется присоединять к/отсоединять от контроллера двигатель, пока есть питание на обмотках мотора.
4.1.1.2.2. Разъем силового питания для платы контроллера¶
Для подключения силового питания на плате контроллера установлен 4-х контактный разъем семейства Mini-Fit с шагом 4.2 мм типа «папа» (тип MF-4MRA). Этот разъем выгодно отличается от аналогов высоким током на контакт - 8А, наличием фиксации, возможностью стыковаться как с ответными частями установленными на кабель (тип MF-4F, part number по каталогу Molex 39-01-2040), так и с установленными на плату, в том числе вертикально (part number по каталогу Molex 15-24-7041). Все разъемы семейства Mini-Fit доступны по каталогу Molex, www.molex.com.
Назначение выводов:
- Силовое питание, «-«.
- Силовое питание, «+». 12-36В.
- Силовое питание, «-«.
- Силовое питание, «+». 12-36В.
Важно
Никогда не подавайте электропитание на контроллер и не подключайтесь к разъему силового электропитания, если вы не уверены, что параметры вашего блока питания соответствуют требуемым. Не пытайтесь подключить электропитание к контроллеру если не уверены, что разъемы на блоке питания и на корпусе контроллера совместимы друг с другом! Допустимые параметры подключения указаны в Техника безопасности.
Важно
Горячее присоединение/отсоединение, а также ненадежное подсоединение силового питания через разъём типа MF-4MRA может вывести из строя контроллер и/или компьютер. Подробние смотрите в Техника безопасности.
4.1.1.2.3. Разъём управления платой контроллера¶
На плате контроллера расположен порт mini USB, который используется для управления контроллером с ПК и подачи питания 5В в одноосной конфигурации. При создании многоосных систем порт mini USB не используется, а используется к объединительной плате. Порт контролера поддерживает режим работы full speed, спецификацию USB 2.0. Для обнаружения контроллера компьютером, возможно, в зависимости от ОС компьютера, потребуется установка драйвера устройства. Подробнее см. раздел Краткое руководство и начало работы, и Программное обеспечение.
Кабель USB-miniUSB
Разъем mini-USB type B
| Номер вывода | Название | Цвет кабеля | Описание |
|---|---|---|---|
| 1 | VCC | Красный | +5 VDC |
| 2 | D- | Белый | Data - |
| 3 | D+ | Зеленый | Data + |
| X | ID | N/C | |
| 4 | GND | Черный | Земля |
Предупреждение
Используйте только проверенные и заведомо работоспособные USB-кабели! Неисправный или некачественный USB кабель может стать причиной неправильной работы контроллера, в том числе ошибок при вращении мотором или при распознавании устройства операционной системой. Для стабильного соединения используйте короткие кабели с толстыми проводниками и экранировкой.
4.1.1.2.4. Разъем подключения к объединительной плате¶
Для подключения к объединительной плате на плате контроллера установлен 20-ти контактный двухрядный штыревой соединитель (PBD-20R) с шагом 2.54 мм типа «мама».
Назначение выводов:
- GND, дублирует соответствующий пин на разъеме mini-USB
- VBUS, дублирует соответствующий пин на разъеме mini-USB.
- D-, дублирует соответствующий пин на разъеме mini-USB.
- D+, дублирует соответствующий пин на разъеме mini-USB.
- Joy, аналоговый вход 0-3 В, используется для подключения внешнего джойстика.
- Pot, аналоговый вход 0-3 В общего назначения.
- RX, вход последовательного порта, 3.3В логика.
- TX, выход последовательного порта, 3.3В логика.
- CLK, сигнал Clock для управления внешним драйвером, 3.3В логика.
- DIR, сигнал Direction для управления внешним драйвером, 3.3В логика.
- BUT_R, вход с внешней кнопки «Вправо».
- BUT_L, вход с внешней кнопки «Влево».
- ExtGPIO, вход/выход общего назначения (или сигнал Enable при использовании внешнего драйвера), 3.3В логика.
- Выход для управления электромагнитным тормозом, 3.3В логика.
- Выход синхронизации, 3.3В логика.
- Вход синхронизации, 3.3В логика.
- Выход для LED Power, показывает наличие питания 3.3В у контроллера.
- Выход на LED Status, показывает режим работы контроллера.
- Выход для LED левого концевика.
- Выход для LED правого концевика.
Примечание
Неиспользуемые контакты внутреннего разъема не требуют никакого дополнительного подключения или подтяжки к земле/питанию. Просто не используйте их.
Важно
Аналоговые входы Joy, Pot рассчитаны на работу с напряжением до 3 В. Никогда не подавайте на эти входы большее напряжение, в том числе 3.3 В. Это может нарушить правильную работу всех аналоговых каналов контроллера и вывести из строя контроллер или двигатель.
Важно
Выводы, доступные на внутреннем разъеме не имеют защит, установка дополнительных буферов и фильтрующих цепочек целиком и полностью находится на ответственности пользователя или разработчика, создающего предназначенную для использования этих линий объединительную плату.
Важно
Внутренний разъем не допускает подачу каких-либо напряжений свыше 0.3 В относительно ножки DGND на обесточенный контроллер. Установка дополнительных защит, предотвращающих такие ситуации, если они возможны, целиком и полностью находится на ответственности пользователя или разработчика, создающего предназначенную для использования этих линий объединительную плату.










